首頁
公司簡介
產品展示
資料下載
選型原理
使用必讀
聯系我們
咨詢電話
13604347369
自調式分流集流閥
導航
自調式分流集流閥
產品分類
可調式分流集流閥
3FJLK-B10-50 板式連接
3FJLK-L10-50 螺紋連接
自調式分流集流閥
3FJLZ-L2-16 螺紋連接
3FJLZ-B2-16 板式連接
3FJLZ-L10-50 螺紋連接
3FJLZ-B10-50 板式連接
3FJLZ-L30-160 螺紋連接
3FJLZ-B30-160 板式連接
3FJLZ-L60-200 螺紋連接
3FJLZ-B60-200 板式連接
3FJLZ-L100-320 螺紋連接
3FJLZ-B100-320 板式連接
固定式分流集流閥
3FJLG-B3,5,6,8,10,15,20,25 板式連接
3FJLG-L3,5,6,8,10,15,20,25 螺紋連接
高精度自調式分流集流閥
3FJLGZ-L2-16 螺紋連接
3FJLGZ-B2-16 板式連接
3FJLGZ-L10-50 螺紋連接
3FJLGZ-B10-50 板式連接
FJL系列分流集流閥
FJL-B10H 15H 20H 板式連接
FJL-L10H 15H 20H 螺紋連接
咨詢電話
13604347369
歡迎來電咨詢,手機號微信同步
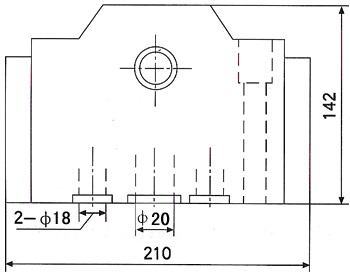
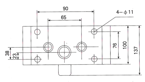
自調式分流集流閥
自調式分流集流閥
流量:60L-200L/min 壓力:31.5MPa
自調式分流集流閥
流量:60L-200L/min 壓力:31.5MPa
四平市三林液壓有限公司
吉林省四平市鐵東區平東大路118號
13604347369
www.huaxueyipin.com
slyy@spslyy.com
鏈接
網站首頁
公司簡介
產品展示
資料下載
選型原理
使用必讀
立即咨詢
COPYRIGHT ? 2021 四平市三林液壓有限公司 版權所有
吉ICP備17004064號-1
技術支持:
中諾科技
網絡寬帶:
中諾云
四平市三林液壓有限公司
版權所有
吉ICP備17004064號-1
網站設計:
中諾科技
網絡寬帶:
中諾云
首頁
返回
電話
咨詢
首頁
公司簡介
產品展示
可調式分流集流閥
自調式分流集流閥
固定式分流集流閥
高精度自調式分流集流閥
FJL系列分流集流閥
資料下載
選型原理
使用必讀
聯系我們
新聞動態
天天久久久久精品精品